
YZUL立式振动电机适用范围:
YZUL系列立式振动电机为各种平旋或复旋式振动机械的新型激振源。适用于振动筛分、过滤机、旋振筛、振动清理机、振动光饰机、振动破碎机等设备。应用于食品、化工、陶瓷、电子、冶金等行业。
YZUL立式振动电机的特点:
YZUL系列立式三相异步振动电机主要由:立式机壳、定转子、轴承、偏心快组成。装配方式采用**的单法兰结构连接,使该立式振动电机具有以下特点:
1、体积小、重量轻、启动迅速。
2、噪音低、能耗低、效率高、
3、激振力易于无*调整且范围宽。
4、安装便捷。维护简单。
YZUL型号意义示意图:
产品使用条件:
环境温度:不超过40℃ 海拔高度:不大于1000m
防护等级:IP55 工作电压:380V
频 率:50HZ 接 法:Y或△
绝缘等级:B或F 工作方式:s1
安装方式:任意方向
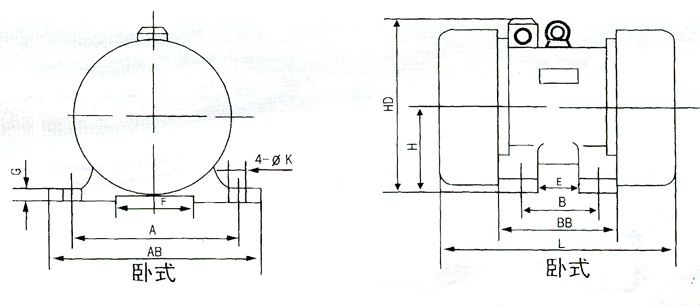
YZUL振动电机平面图:
YZUL立式振动电机产品数据:
在线订购
相关产品
产品分类
联系方式
—— 新电电机 ——
电话:0373-3690129
联系人:高经理
手机:13503732180
邮箱:xddj2006@126.com
地址:新乡市牧野区善河村工业园2号
公司新闻